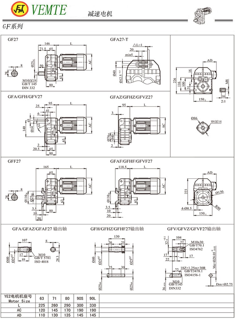
這是F00減速機,F(xiàn)F00斜齒輪減速機,F(xiàn)A00齒輪減速器以及FAF00減速機的一些具體的型號以及對應的安裝尺寸圖紙。F00系列減速機對應的大眾的型號為F27減速機。
| F00DM63S | FAF00DM71M | FF00DM63S |
| F00DM63M | FAF00DM80M1 | FF00DM63M |
| F00DM63L | FAF00DM80M2 | FF00DM63L |
| F00DM71M | FAF00DM90S | FF00DM71M |
| F00DM80M1 | FAF00DM90L | FA00DM63S |
| F00DM80M2 | 平行軸減速機 | FA00DM63M |
| F00DM90S | FF00DM80M2 | FA00DM63L |
| F00DM90L | FF00DM90S | FAF00DM63S |
| FA00DM71M | FF00DM90L | FAF00DM63M |
| FA00DM80M1 | FA00DM90S | FAF00DM63L |
| FA00DM80M2 | FA00DM90L | FF00DM80M1 |
下一篇:F02系列平行軸減速機上一篇:S07系列蝸輪蝸桿減速機型號
此文關鍵字:F00系列平行軸減速機型號
















